股票配资知识网推荐-加杠杆炒股的正规平台是什么软件-【东方资本】,预测明天大盘走势分析,选股票的步骤,国内正规合法配资平台

csh-碼垛機器人.png csh-碼垛機器人.png

艾利特CS530H地平線協作機器人

超大負載,超長臂展,高精高速,結構緊湊

CS530H
  • 亮點
  • 參數
  • 圖紙
  • 控制箱/示教器/示教軟件
  • 相關資源
  • 相關產品

CS530H

  • b3icon1-594.svg
    1522mm

    工作半徑

  • b3icon2-752.svg
    30kg

    負載

  • b3icon3.svg
    ±0.05mm

    重復定位精度

  • b3icon4.svg
    58Kg

    自重

產品參數

  • 技術參數
  • 關節參數
  • 物理參數
  • 配件型號
    • 名稱參數
      自由度5
      負載30kg
      工作半徑1522mm
      重復定位精度±0.05mm
      典型功耗600W
      安裝方式正裝、倒裝
      工具I/O4xDO/4xDI (可配置)、1xAI 、1xAO
      工具I/O供電12 V/24 V,3 A (三針模式), 2 A (雙針模式), 1 A (單針模式)
      工具通信RS485

    • 關節運動范圍關節最大速度
      基座±360°125°/s
      肩部±360°125°/s
      肘部±360°150°/s
      腕部1--
      腕部2-210°/s
      腕部3±360°210°/s
      工具最大速度4.0m/s4.0m/s
    • 名稱參數
      自重58kg
      底座直徑Φ240mm
      IP防護等級IP68
      工作環境溫度-10°C~50 ℃
      工作環境濕度90%相對濕度(非冷凝)
      材料鋁合金、鋼、塑料、橡膠
      標準線纜長度5.5m
    • 名稱參數
      控制箱ERB2C2K0 / ERB2C2K0N / ERB1C4K0MNE
      示教器ERP400
      全能示教器(選配)ERP400S
CS530H-3.png

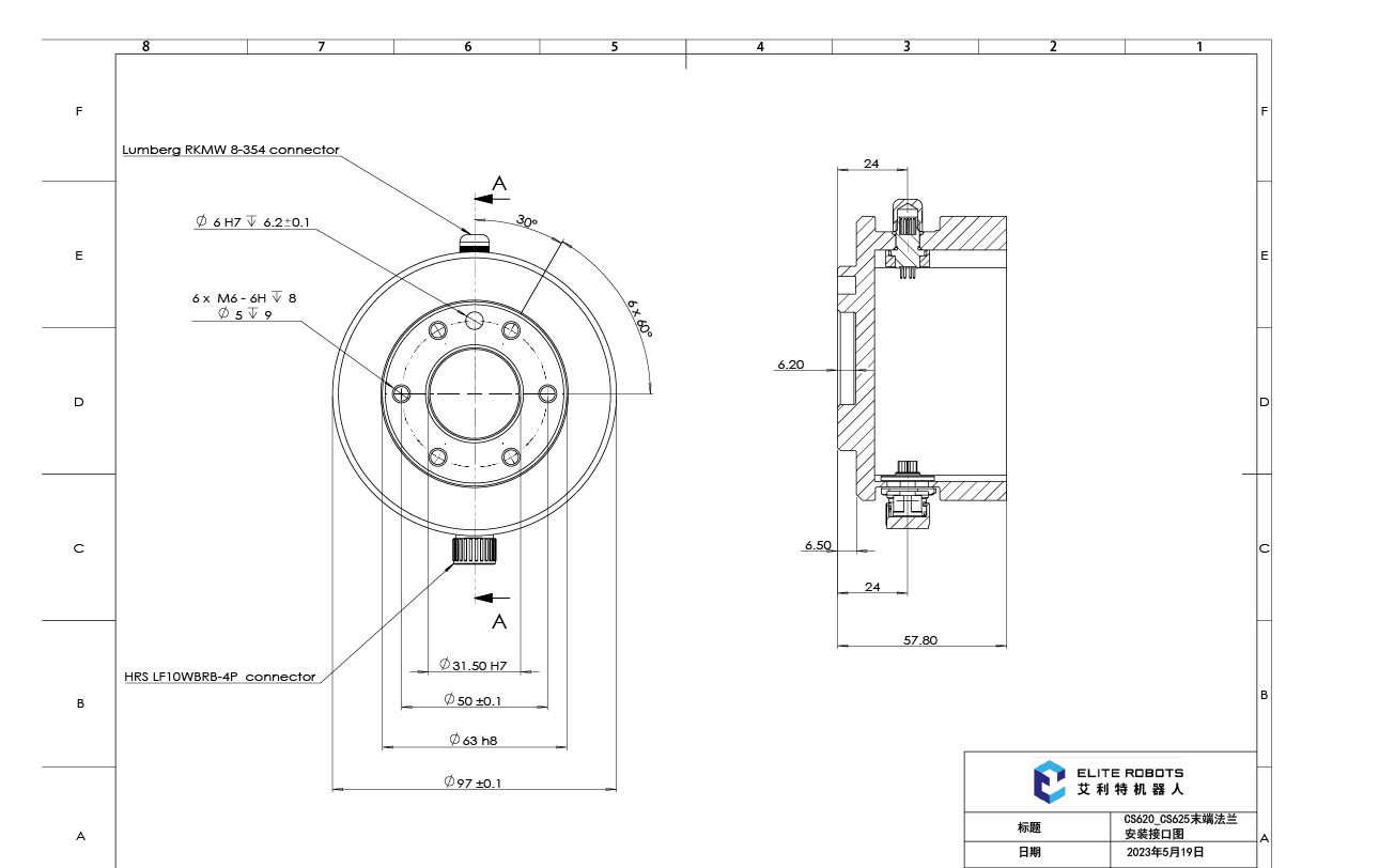
產品圖紙

  • 外形尺寸圖
  • 工作范圍圖
  • 末端法蘭圖
  • 控制箱

    ERB2E2K0-220/110 / ERB2E2K0-48/24 (標配)
    ERB1E2K0E-48 (選配)

    b1_img15.png
  • 示教器/示教軟件

    示教器/示教軟件

    b1_img16.png
download-669.svg comicon14.svg

電話咨詢

download-397.svg comicon15.svg

免費試用

Vector.svg Frame.svg

微信小程序

img1.jpg

微信小程序

準備好突破增長瓶頸,開啟智能制造了嗎?
了解我們的機器人如何幫助您的業務增長
歡迎下載艾利特機器人資料

我已閱讀并同意艾利特《隱私政策》《法律聲明》

我已知曉并同意艾利特通過電子郵件發送相關資料

提交